Dreiphasenstelltransformatoren mit Motorantrieb

Ausgestattet mit allen Vorteilen der Ringkernstelltransformatorenserie kommt der motorisierte Antrieb hinzu. Hiermit können die Anlagen geregelt und gesteuert werden. Auf diese Weise die Unterschiedlichsten Anforderungen erfüllen. Durch Digitale Schnittstellen der Motorsteuerungen können die Transformatoren direkt in Anlagenprozesse integriert werden.  

Allgemeine Technische Daten

Schutzgrad: IP 00
Isolierklasse: B
]max. Umgebungstemperatur: +45°C
Prüfspannung Wicklung - Welle: 4 kV
Frequenz: 50/60 Hz
Nenneingangsspannung: 3x 400V
Aufstellhöhe: 1000 m
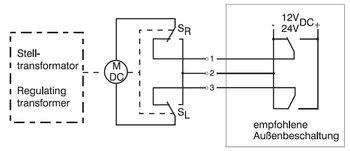
Motorantrieb: 24V/ 12V DC
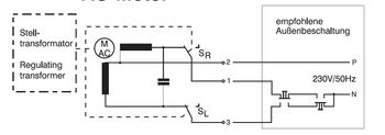
  230V AC
Stellzeit pro Umdrehung: ca. 15s
Zertifizierung: CE, RoHs

 

Auswahl Dreiphasensparstelltransformator nach Stromstärke

         1. Eingang und Ausgangsspannung wählen

         2. Wählen der benötigten Stromstärke via Sortierung

         3. Für Abmessung auf Typ klicken  

Spannung Eingang 3x 400 V; Ausgang 1,5 bis 400 V/ 430 V
Typ Ausgangsspannung in V Ausgangsstrom A Bauart
DSS 9020 M AC oder DC <1,5...400/430 2 A
DSS 9032 M AC oder DC <2,5...400/430 3 A
DSS 9032 M AC oder DC <2,5...400/430 4 A
DSS 9020 M AC oder DC <1,5...400/430 2 D
DSS 9032 M AC oder DC <2,5...400/430 3 D
DSS 9040 M AC oder DC <2,5...400/430 4 D
DSS 9063 M AC oder DC <3,5...400/430 6 D
DSS 9080 M AC oder DC <3,5...400/430 8 D
DSS 9100 M AC oder DC <3,5...400/430 10 D
DSS 9180 M AC oder DC <4,5...400/430 18 D
DSS 9200 M AC oder DC <4,5...400/430 20 D
DSS 9250 M AC oder DC <4,5...400/430 25 D
DSS 9340 M AC oder DC <4,5...400/430 34 D
DSS 9380 M AC oder DC <4,5...400/430 38 D
DSS 9480 M AC oder DC <4,5...400/430 48 D
DSS 9570 M AC oder DC <4,5...400/430 57 DE
DSS 9720 M AC oder DC <4,5...400/430 72 DE