Einphasenstelltransformatoren ESS mit Axialbefestigung
Technische Daten
| Schutzgrad: |
IP00 |
| Isolierklasse: |
B |
| Umgebungstemperatur: |
max. +45°C |
| Prüfspannung Wicklung-Welle: |
1,5 kV |
| Frequenz: |
50/60 Hz |
| Drehwinkel: |
320 ° |
| Konformität: |
CE, RoHS |
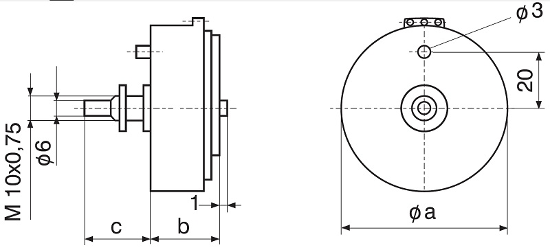
Abmessungen ESS mit Axialbefestigung